核心设计:脉冲压缩电路详解
想轻松处理高压脉冲吗?这个由运放构建的脉冲压缩电路,正是你需要的解决方案。
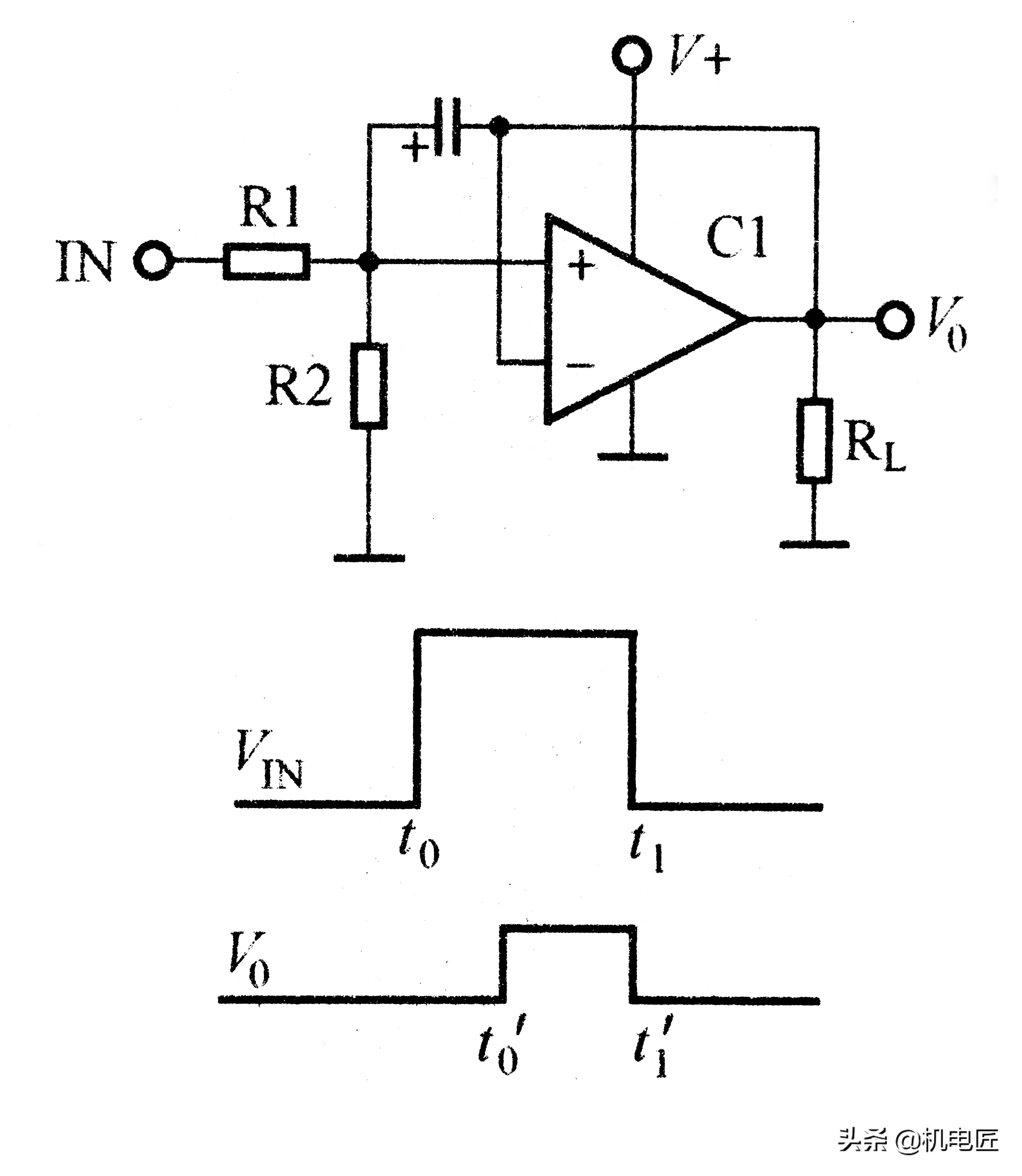
R1与R2组成分压网络,直接压缩脉冲幅值。
即:R2 / (R1 + R2) · Vin = Vo
同时,C1与R1通过积分延时,同步压缩脉冲宽度与幅度,适应多样信号场景。
该电路广泛用于高压信号采集与计数,例如将几十伏脉冲压缩后,直接安全接入3.3V处理器引脚。
对于幅度不确定的信号,在IN端接地钳位元件,可控制最大幅度,保护电路。立即动手集成,提升你的设计可靠性!
相关问答
脉冲压缩原理?
原理:发射端采用大时宽、带宽信号,以提升速度测量精度与分辨力;接收端将宽脉冲压缩为窄脉冲,从而提高雷达对目标的距离分辨精度。
脉冲式、压缩式、超声波式雾化吸入器如何选择?
各类雾化吸入器各有优势,建议根据具体使用场景和医疗需求,咨询专业人员以获取最佳方案。
在反常色散区,脉冲为什么会压缩?
高阶色散效应(如TOD效应)在光子晶体光纤中起关键作用。当综合各种效应时,在反常色散区,脉冲因色散与非线性的相互作用而被压缩。
如何选择技术好的脉冲除尘器?
气量(单位m³/h)和过滤风速(单位m³/min)是关键参数。总过滤面积可通过公式计算,具体需根据室数和设计需求确定。
气动扳手的使用方法和注意事项
使用气动扳手时,务必遵循操作规范,注意安全防护,定期维护以保障工具性能。
超声波探测器原理是什么?
超声波探测器基于声波反射原理工作,类似雷达技术,通过发射和接收信号来探测目标距离与状态。
干冰清洗与电子脉冲清洗有何不同?
干冰清洗利用低温冲击清除积碳,而电子脉冲通过高温电弧破坏积碳。选择时需根据清洗对象和效率需求决定。
雷达如何使用进行搜索?
雷达通过发射无线电波并接收回波,探测目标距离、方向和速度,实现高效搜索与跟踪。
雷达的工作原理是什么?
雷达模仿蝙蝠超声波定位原理,通过发射和接收电磁波,精确测定目标的空间信息。
离线脉冲除尘器脉冲压力设定多少?
脉冲压力通常由脉冲阀类型决定:直角式建议5-7公斤,淹没式低压型为3-5公斤。具体应咨询除尘器厂家以确保匹配。




